Class H Professional Power Amplifier Circuit Diagram : Class H Power Amp Schematics With Electronics For You Facebook / Powerful 2000w power amplifier class h electronic circuit.

Class H Professional Power Amplifier Circuit Diagram : Class H Power Amp Schematics With Electronics For You Facebook / Powerful 2000w power amplifier class h electronic circuit.. This complementary darligton pair transistors can handle 5a current and 100v voltage. The power supply module already included ini the pcb design. The component part list, pcb layout design and component placement layout is provided in this post. Class h power amp schematics with full electronics for you. 4) 100 watts power amplifier circuits.

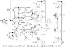
Audio amplifier output power may be anything from less than 1 watt to several hundred watts. This circuit uses tip 142 and tip 147 in darlington combination to deliver 150w rms to a 4ω speaker. The following block diagram shows the amplification stages. Power amplifier apex h900 efficient flat and powerful power amplifiers electronics circuit audio amplifier from www. See the circuit schematic and pcb layout here and its work 100%

Td Class Power Amplifier Circuit 800w 2 Ch High Power Tda 2008 Amplifier Buy Professional Power Amplifier Card High Power Amplifier 800w X 2ch High Power Car Amplifier Product On Alibaba Com
Td Class Power Amplifier Circuit 800w 2 Ch High Power Tda 2008 Amplifier Buy Professional Power Amplifier Card High Power Amplifier 800w X 2ch High Power Car Amplifier Product On Alibaba Com from sc01.alicdn.com
5) high audio amplifier circuits diagram. 50 watt amplifier circuit diagram: A wide variety of class h power amplifier options are available to you, such as 2 (2.0), 4, and 3 (2.1). The following block diagram shows the amplification stages. 1000w stereo power module rev u. The distortion in this type of amplifier is said to be minimum which results in better performance. In class h amplifiers, the supply voltage is multilevel. This is the schematic design of 400 watt 70 volt amplifier capable to deliver about 400w rms power output in single channel.

Class h power amplifier circuit diagram.

Class h amplifier circuit diagram lovely 1000w audio power class h professional power amplifier circuit diagram switch mode amp td class speakerplans com forums fp14000 switch mode power supply kelas td amplifier 14000w 2 fp14000 class td professional power amplifier buy professional 3000 watts power amplifier class d mosfet irfp260 irfp4227. The image of the conduction angle derives from amplifying a sinusoidal signal. The distortion in this type of amplifier is said to be minimum which results in better performance. The following block diagram shows the amplification stages. This circuit uses tip 142 and tip 147 in darlington combination to deliver 150w rms to a 4ω speaker. 150w audio amplifier that's cheap to build using tip142 / tip147 darlington power transistors: There are 2,109 suppliers who sells class h power amplifier. The circuit diagram is shown in circuit schematic. This is a high power bridge amplifier circuit with output power up to 2000w you can build step by step by clicking this site include pcb, and video test. If you need exactly 6 you can play a round with the resistance on the input. The following circuit diagram discusses the 150w power amplifier circuit. The power supply module already included ini the pcb design. The classes are based on the proportion of each input cycle (conduction angle) during which an amplifying device passes current.

A single pole switching element and the tuned reactive network is the main component to use with the class e amplifier. Find the best amplifier circuit diagram on amplifiercircuits.com, tda amplifiers, 200w subwoofer circuits, tda7294 audio amplifier, 1000w audio power amplifier search. Powerful 2000w power amplifier class h in 2020 audio amplifier. The following block diagram shows the amplification stages. Power amplifier circuit diagram is still less by looking at.

What Is Ne5532 Audio Power Amplifier Circuit Video
What Is Ne5532 Audio Power Amplifier Circuit Video from www.apogeeweb.net
This is the schematic design of 400 watt 70 volt amplifier capable to deliver about 400w rms power output in single channel. See the circuit schematic and pcb layout here and its work 100% Many power amplifiers are affected by noise and distortion. 7) preamplifiers & mic non tone controls. With the addition of few components, they provide very fast switching speeds and low power dissipation. Audio amplifier output power may be anything from less than 1 watt to several hundred watts. Powerful 2000w power amplifier class h electronic circuit. Find the best amplifier circuit diagram on amplifiercircuits.com, tda amplifiers, 200w subwoofer circuits, tda7294 audio amplifier, 1000w audio power amplifier search.

7) preamplifiers & mic non tone controls.

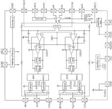
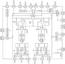
Power amplifier pcb layout yamaha px5 download pdf in 2020 audio. 7) preamplifiers & mic non tone controls. In electronics, power amplifier classes are letter symbols applied to different power amplifier types. Class h power amplifier pcb layout pcb circuits power amplifier 2000 watt circuit diagrams 2014 lancer fuse box location subaruoutback karo wong liyo jeanjaures37 fr amplifier circuit diagram pcb layout pcb circuits 1000 watts power amplifier schematic diagrams full hd version schematic diagrams vastdiagram nettoyagevertical fr below the. Functional block diagram inside gate driver high side well input logic international rectifier's family of mos gate drivers integrate most of the functions required to drive one high side and one low side power mosfet in a compact package. The circuit diagram is shown in circuit schematic. Find the best amplifier circuit diagram on amplifiercircuits.com, tda amplifiers, 200w subwoofer circuits, tda7294 audio amplifier, 1000w audio power amplifier search. Powerful 2000w power amplifier class h electronic circuit. Basic audio amplifier including a spice model: A wide variety of professional power amplifier schematic diagram options are available to you, such as. The angle of conduction for this class of amplifier is considered to be 360 degrees. The image of the conduction angle derives from amplifying a sinusoidal signal. 3,703 class h power amplifier products are offered for sale by suppliers on alibaba.com, of which professional audio, video & lighting accounts for 25%, amplifier accounts for 20%.

3,703 class h power amplifier products are offered for sale by suppliers on alibaba.com, of which professional audio, video & lighting accounts for 25%, amplifier accounts for 20%. This is the schematic design of 400 watt 70 volt amplifier capable to deliver about 400w rms power output in single channel. If you need exactly 6 you can play a round with the resistance on the input. Amplifier clas h 2000watt 2u youtube. Power amplifier apex h900 efficient flat and powerful power amplifiers electronics circuit audio amplifier from www.

Class H Amplifier Circuit Study Part 1 Youtube
Class H Amplifier Circuit Study Part 1 Youtube from i.ytimg.com
600w mosfet power amplifier amplifier circuit design. So if the stereo high power amplifier 2 x 1400w power output ( 2800w ). The classes are based on the proportion of each input cycle (conduction angle) during which an amplifying device passes current. Class h power amplifier circuit diagram. The audio circuit should be duplicated, but the power supply assists to the two channels without problems. 3,703 class h power amplifier products are offered for sale by suppliers on alibaba.com, of which professional audio, video & lighting accounts for 25%, amplifier accounts for 20%. 2) mini amplifier 20w to 50w. 2000w power amplifier circuit complete pcb layout in 2020.

The distortion in this type of amplifier is said to be minimum which results in better performance.

With the addition of few components, they provide very fast switching speeds and low power dissipation. Class h power amplifier circuit diagram. There are 2,109 suppliers who sells class h power amplifier. 1600w power amplifier class g pcb layout electronic circuit. The image of the conduction angle derives from amplifying a sinusoidal signal. To overcome the drawback of the unnecessary heating of the device class b circuit of the power amplifier was designed. Power amplifier pcb layout yamaha px5 download pdf in 2020 audio. 600w mosfet power amplifier amplifier circuit design. The audio circuit should be duplicated, but the power supply assists to the two channels without problems. Power amplifiers introduction to power amplifiers power amplifiers amplifier circuits form the basis of most electronic systems, many of which need to produce high power to drive some output device. The circuit just shows a channel, and the power supply that it assists to the two channels. The classes are based on the proportion of each input cycle (conduction angle) during which an amplifying device passes current. Class h power amplifier pcb layout pcb circuits power amplifier 2000 watt circuit diagrams 2014 lancer fuse box location subaruoutback karo wong liyo jeanjaures37 fr amplifier circuit diagram pcb layout pcb circuits 1000 watts power amplifier schematic diagrams full hd version schematic diagrams vastdiagram nettoyagevertical fr below the.

Iklan Atas Artikel

Iklan Tengah Artikel 1

Iklan Tengah Artikel 2

Iklan Bawah Artikel