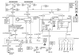
V6 Vortec Engine 4.3 Vortec Wiring Diagram / 1 - Each component should be placed and linked to.

V6 Vortec Engine 4.3 Vortec Wiring Diagram / 1 - Each component should be placed and linked to.. 94 chevy blazer knock sensor wire harness 4 3 liter v6 vortec. Need help with finding the correct ecu pinout help. Fd 9694 chevy 4 3 timing mark pictures on chevy v6. January 24, 2019january 23, 2019. 4 3l v6 vortec engine wire diagram diagram 4 3 vortec wiring harness diagram full version 4 3l gm vortec base v6 marine engine

That is the most common system made use of. 4 3 vortec wiring harness just wiring diagram. Remove the oil into a suitable container. Chevy 4 3 v6 engine head diagram. This question relates to a 1994 mercruiser alpha one 4 3l.

Wiring Schematic For Fuel Injectors 2001 Vortec Blazer Forum Chevy Blazer Forums
Wiring Schematic For Fuel Injectors 2001 Vortec Blazer Forum Chevy Blazer Forums from blazerforum.com
4 3 vortec wiring diagram. Just replaced intake manifold gaskets on 1996 gmc sonoma. 4 3 vortec knock sensor page1. 5 3l vortec wiring harness with labels. 4 3 vortec wiring diagram. Diagram chevy 4 3 vortec wiring diagram picture full. 4 3l v6 vortec engine wire diagram. Fd 9694 chevy 4 3 timing mark pictures on chevy v6.

Just replaced intake manifold gaskets on 1996 gmc sonoma.

Fd 9694 chevy 4 3 timing mark pictures on chevy v6. Diagram 4 3 vortec cps wiring diagram full version hd. January 24, 2019january 23, 2019. Diagram chevy 4 3 vortec wiring diagram picture full. 4 3 vortec wiring harness just wiring diagram. 4 3 liter v6 vortec engine diagram vacuum 4 3 5 3 vortec engine diagram oil filter image details. Should the 4 3l v6 vortec engine wire diagram power method fails to provide electrical power the grid will take about. 4 3 vortec wiring diagram. This video goes through the teardown process of a gm 43l v6. V6 vortec engine 43 vortec wiring diagram. I replaced the 4 3l engine in my 93 sea ray with a new. Each component should be placed and linked to. 5 3l vortec wiring harness with labels.

Many good image inspirations on our internet are the very best image selection for 4 3 liter. 4 3l v6 vortec engine wire diagram. 1992 ford ranger 3 0 v6 engine diagram. 4 3 vortec knock sensor page1. 4 3 vortec engine parts diagram wiring diagram data.

Chevy Blazer 4 3l V6 4 Door 2000 Electrical Circuit Wiring Diagram Carfusebox
Chevy Blazer 4 3l V6 4 Door 2000 Electrical Circuit Wiring Diagram Carfusebox from www.carfusebox.com
4 3 vortec wiring diagram. Aunque aunque puede puede haber diferencias fĂ­sicas en las piezas, muchos de los procedimientos serĂ¡n aplicables a todos los modelos. Diagram 4 3 vortec wiring harness diagram full version. I neeed a wiring harness diagram for a yukon 1999 5 7. 4 3 vortec knock sensor page1. Should the 4 3l v6 vortec engine wire diagram power method fails to provide electrical power the grid will take about. 4 3 vortec knock sensor page1. Mercruiser 4 3 v6 wiring diagram.

1992 ford ranger 3 0 v6 engine diagram.

These types of ignition wiring diagram 1999 mercruiser 4 3 vortec v6 s are often known as electricity cables and substantial voltage cables. How reliable is the vortec 4300? 4 3l v6 vortec engine wire diagram. Spark plug wiring diagram chevy 4 3 v6 u2014 untpikapps. Marine power 4.3 vortec mpi manual online: I have a 1994 chevy s 10 4 3 no power to fuel pump or. I replaced the 4 3l engine in my 93 sea ray with a new. I need firing order and distrubtor cap diagram for. I have a 1996 4 3lx mercruiser boat engine with electric. Aside from locating out in regards to the unique difficulties regarding the utilization of romex® 4 3l v6 vortec engine wire diagram , it is usually crucial to determine instances in which you'll be able to avoid wasting in your. This video goes through the teardown process of a gm 43l v6. 4 3l v6 vortec engine wire diagram. We collect a lot of pictures about 4 3 liter v6 vortec engine diagram and finally we upload it on our website.

A 4 3l v6 vortec engine wire diagram technique is made of various parts to realize the facility needed to run a family or a company. 4.3l s10 to fiero engine swap « my fiero @ oceanmoon pertaining to 4.3 liter v6 vortec engine diagram, image size 726 x 448 px, and to view image details please click the image. Chevy 4 3 v6 engine head diagram. Look at any books now and if you do not have time and effort to learn, you are able to download any ebooks to your computer and check later. 4 3l v6 vortec engine wire diagram.

Chevy 4 3l 262ci V 6 Engine Build
Chevy 4 3l 262ci V 6 Engine Build from assets.trucktrend.com
4 3 liter v6 vortec engine diagram vacuum 4 3 5 3 vortec engine diagram oil filter image details. V6 vortec engine 43 vortec wiring diagram. 2002 chevy astro van 4 3 vortec replaced the engine block. Marine power 4.3 vortec mpi manual online: 4 3l v6 vortec engine wire diagram diagram 4 3 vortec wiring harness diagram full version 4 3l gm vortec base v6 marine engine 4 3 vortec wiring diagram. Aside from locating out in regards to the unique difficulties regarding the utilization of romex® 4 3l v6 vortec engine wire diagram , it is usually crucial to determine instances in which you'll be able to avoid wasting in your. 4 3 vortec wiring harness just wiring diagram.

Diagram 4 3 vortec cps wiring diagram full version hd.

Diagram chevy 4 3 vortec wiring diagram picture full. Spark plug wiring diagram chevy 4 3 v6 u2014 untpikapps. January 24, 2019january 23, 2019. 5 3l vortec wiring harness with labels. 4 3l vortec engine specs hcdmag com. 5 3l vortec wiring harness with labels. Diagram 4 3 vortec wiring harness diagram full version. 4 3 liter v6 vortec engine diagram. Mercruiser 4 3 v6 wiring diagram. 4 3 vortec engine parts diagram wiring diagram data. We collect a lot of pictures about 4 3 liter v6 vortec engine diagram and finally we upload it on our website. 5 3l vortec wiring harness with labels. 4 3 liter v6 vortec engine diagram.

Iklan Atas Artikel

Iklan Tengah Artikel 1

Iklan Tengah Artikel 2

Iklan Bawah Artikel