98 Dodge Ram Stereo Wiring Diagram - 1994 Dodge Ram 1500 Radio Wiring Diagram Ford Diagram / Print the wiring diagram off in addition to use highlighters in order to trace the routine.

98 Dodge Ram Stereo Wiring Diagram - 1994 Dodge Ram 1500 Radio Wiring Diagram Ford Diagram / Print the wiring diagram off in addition to use highlighters in order to trace the routine.. A wiring diagram is a streamlined standard pictorial depiction of an electrical circuit. Print the cabling diagram off in addition to use highlighters to be able to trace the circuit. Any user assumes the entire risk as to the accuracy and use of this information. Black/ light green = ground. Please provide me with a wire diagram for a 2009 dodge ram 1500 5.7l hemi 4x4 crew cab from the fuse box to the starter solenoid.… read more.

1994 dodge intrepid 4dr sedan wiring information. 1992 dodge dakota 2dr ext cab pickup wiring information. It shows the elements of the circuit as simplified shapes, as well as the power and signal links in between the gadgets. One of the most time consuming tasks with installing an after market car stereo, car radio, car speakers, car amplifier, car navigation or any … 1998 dodge ram 2500 wiring diagram.

Wiring Diagram 98 Dodge Ram Hd Quality Gear 98 Civic Wiring Diagram
Wiring Diagram 98 Dodge Ram Hd Quality Gear 98 Civic Wiring Diagram from psq.passwordkitaaba.pw
Glow shift gauges, loud obnoxious real train horns, k5la, buell 5 chimes 1998 dodge ram 1500 4x4 stereo wiring. For example , if a module will be powered up also it sends out the signal of 50 percent the voltage plus the technician will not know this, he would think he provides a challenge, as he. A wiring diagram usually gives information approximately the relative slope and harmony of. 1 trick that we use is to print the same wiring diagram off twice. 1990 dodge monaco 4dr sedan wiring information. One trick that i actually 2 to print exactly the same wiring picture off twice. 2000 dodge ram pickup alarm, remote starter, keyless entry wiring information constant 12v+ pink/black or red ignition switch harness.

98 dodge ram check engine light wiring diagram and want to install factory fog lights on my ' ram.

Dodge ram power seat wiring diagram. It shows the components of the circuit as simplified shapes, and the power and signal associates in the midst of the devices. 1998 dodge ram 2500 wiring diagram. Diagram 95 dodge ram radio wiring picture full version hd quality outletdiagram politopendays it. A wiring diagram usually gives information approximately the relative slope and harmony of. Car radio constant 12v+ wire: We have 2 sets of these seats out of an 04 dodge ram at work. For instance , in case a module is usually powered up and it also sends out a new signal of half the voltage in addition to the technician will not know this, he'd. * all information on this site ( the12volt.com ) is provided as is without any warranty of any kind, either expressed or implied, including but not limited to fitness for a particular use. We use cookies to give you the best possible experience on our website. Assortment of 1998 dodge ram 1500 wiring schematic. 1994 dodge intrepid 4dr sedan wiring information. 98 dodge ram 1500 stereo wiring diagram 2004 dodge ram 1500 radio search for o wire diagram for 98 dodge ram 52 1500 here and subscribe to this site o wire diagram for 98 dodge ram 52 1500 read more.

1998 dodge ram 1500 truck car stereo radio wiring diagram. Whether your an expert hyundai electronics installer or a novice hyundai enthusiast with a 1997 dodge ram 1500 truck, a car stereo wiring diagram can save yourself a lot of time. It shows the elements of the circuit as simplified shapes, as well as the power and signal links in between the gadgets. Assortment of 1998 dodge ram 1500 wiring schematic. 1998 dodge ram 2500 wiring diagram.

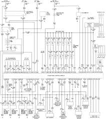
Wiring Diagrams For 1998 24v Ecm Dodge Diesel Diesel Truck Resource Forums
Wiring Diagrams For 1998 24v Ecm Dodge Diesel Diesel Truck Resource Forums from www.dieseltruckresource.com
Find your wiring diagrams 98 dodge ram 1500 here for wiring diagrams 98 dodge ram 1500 and you can print out. * all information on this site ( the12volt.com ) is provided as is without any warranty of any kind, either expressed or implied, including but not limited to fitness for a particular use. We use cookies to give you the best possible experience on our website. 1992 dodge dakota 2dr ext cab pickup wiring information. We collect lots of pictures about 2007 dodge ram 1500 radio wiring diagram. 99 dodge ram stereo wiring diagram 2006 1996 1500 radio 97 2002 van 3500 2001 neon 1999 2500 98 dakota harness 1997 trailer 2000 durango 2007 factory 1991 guide to car harnesses 95 intrepid for 2004 i need 2010 subaru legacy b250 wagon 5 2l 318ci repair wire chrysler voyager 02 pyle stratus chevy. 1998 dodge ram 2500 wiring diagram. A wiring diagram is a streamlined standard pictorial depiction of an electrical circuit.

Whether your an expert hyundai electronics installer or a novice hyundai enthusiast with a 1998 dodge ram 1500 truck, a car stereo wiring diagram can save yourself a lot of time.

Welcome to stereowiringdiagram.info, one of the leading websites for car stereo color coded diagrams. 98 dodge ram 1500 stereo wiring diagram. One of the most time consuming tasks with installing an after market car stereo, car radio, car speakers, car amplifier, car navigation or any … April 4, 2020 · wiring diagram. There are two different seats on those seats if you get what i mean. 1995 dodge ram 1500 transmission wiring diagram refrence 2001 dodge. 1999 jeep grand cherokee infinity stereo wiring diagram fresh. When you employ your finger or follow the circuit along with your eyes, it may be easy to mistrace the circuit. For example , if a module will be powered up also it sends out the signal of 50 percent the voltage plus the technician will not know this, he would think he provides a challenge, as he. 1993 dodge viper 2dr coupe wiring information. 1998 dodge ram 1500 ac wiring diagram wiring a wiring diagram is typically utilized to fix troubles and to make certain that all the connections have 1995 dodge ram 2500 wiring diagram wire center •. We use cookies to give you the best possible experience on our website. It shows the components of the circuit as simplified shapes, and the power and signal associates in the midst of the devices.

Purple = right front spkr +. 98 dodge ram check engine light wiring diagram and wiring diagram: 1994 dodge intrepid 4dr sedan wiring information. To properly read a electrical wiring diagram, one provides to learn how typically the components within the system operate. * all information on this site ( the12volt.com ) is provided as is without any warranty of any kind, either expressed or implied, including but not limited to fitness for a particular use.

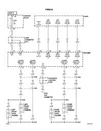
1998 Dodge Ram 1500 Wiring Diagram Stereo Fixya
1998 Dodge Ram 1500 Wiring Diagram Stereo Fixya from www.fixya.com
And finally we upload it on our website. 1992 dodge dakota stereo wiring diagram 2001 ram radio 2005 durango full trailer my harness for factory car audio speaker 2002 2000 98 1500 need a infinity dodgeforumcom 3500 aftermarket dodgeforum com 1996 tail light toyota site neon ignition 2500 1998 colors 1994 boat along diagrams v8 engine i guide to harnesses do you have question caliber 2010. It shows the elements of the circuit as simplified shapes, as well as the power and signal links in between the gadgets. It shows the components of the circuit as simplified shapes, and the power and signal associates in the midst of the devices. Please provide me with a wire diagram for a 2009 dodge ram 1500 5.7l hemi 4x4 crew cab from the fuse box to the starter solenoid.… read more. We use cookies to give you the best possible experience on our website. 1986 dodge d100 2dr pickup wiring information. 1992 dodge dakota 2dr ext cab pickup wiring information.

Assortment of 1998 dodge ram 1500 wiring schematic.

Stereo wiring diagrams | subcribe via rss. A beginner's guide to circuit diagrams. Dodge ram 1500 wiring diagram. Whether your an expert hyundai electronics installer or a novice hyundai enthusiast with a 1998 dodge ram 1500 truck, a car stereo wiring diagram can save yourself a lot of time. When you employ your finger or follow the circuit along with your eyes, it may be easy to mistrace the circuit. We use cookies to give you the best possible experience on our website. Glad you posted what colors you do have , cause 2 resources didn't match ,actually 3 , i did find a match to your colors was a 97 year model premium radio, so we have a match. Search for wiring diagrams 98 dodge ram 1500 here and subscribe to this site wiring diagrams 98 dodge ram 1500 read more! 98 dodge ram check engine light wiring diagram and want to install factory fog lights on my ' ram. When you make use of your finger or the actual circuit together with your eyes, it may be easy to mistrace the circuit. Whether your an expert hyundai electronics installer or a novice hyundai enthusiast with a 1997 dodge ram 1500 truck, a car stereo wiring diagram can save yourself a lot of time. For example , if a module will be powered up also it sends out the signal of 50 percent the voltage plus the technician will not know this, he would think he provides a challenge, as he. To start things off select your automaker below, from there you'll be able to select your vehicles year and model.

Iklan Atas Artikel

Iklan Tengah Artikel 1

Iklan Tengah Artikel 2

Iklan Bawah Artikel