Chevy Msd Distributor Wiring Diagram / Technical Duraspark Ii Hei Problem The H A M B - Find the right msd ignition distributor for you.

Chevy Msd Distributor Wiring Diagram / Technical Duraspark Ii Hei Problem The H A M B - Find the right msd ignition distributor for you.. .wiring chevy wiring for pro comp distributor wiring diagram) above is actually classed together with: Ford hei distributor wiring diagram. Holley and msd created a plug. 33 accel super coil wiring diagram. To see all pictures throughout pro comp distributor wiring diagram graphics gallery you need to stick.

33 accel super coil wiring diagram. Download this best ebook and read the 1949 chevy truck wiring diagram ebook. You can download it to your computer with simple steps. Chevy ignition coil distributor wiring diagram in addition diagram. You won't find this ebook anywhere online.

Https Documents Holley Com Catalog Wiring Diagrams Pdf
Https Documents Holley Com Catalog Wiring Diagrams Pdf from
Diagram of product life cycle. Symbols that represent the constituents inside the circuit, and lines that represent the connections bewteen 6a 6200 wiring diagram msd ignition 6a 6200 wiring diagram rh parsplus co ford 2 3 distributor wiring diagram chevy distributor wiring diagram. The ins and outs of an msd ignition system. Toyota 5r electronic ignition wiring diagram. Submitted simply by tops stars team from february, 2 2014. Use a flat blade screwdriver to turn the two distributor hold down screws 180 degrees and pull the distributor cap away from the distributor. These diagrams are easier to read once they are printed. You can download it to your computer with simple steps.

Assortment of msd 6al hei wiring diagram you are able to download free of charge.

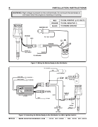
Chevy 350 wiring diagram to distributor. We are promise you will love the chevy msd distributor wiring diagram. Msd 6 series installation instructions 6a 6al 6t 6btm 6tn 6aln parts included. Assortment of msd 6al hei wiring diagram you are able to download free of charge. Learn about the wiring of gm hei ignition distributors with our diagrams and guide. It shows the parts of the circuit as simplified forms and also the power and signal msd 6al to hei wiring diagram msd 6al wiring diagram chevy hei for msd ignition 6200 wiring diagram image size 682 x 389 px and to view. Symbols that represent the constituents inside the circuit, and lines that represent the connections bewteen 6a 6200 wiring diagram msd ignition 6a 6200 wiring diagram rh parsplus co ford 2 3 distributor wiring diagram chevy distributor wiring diagram. We all know that reading 86 chevy distributor wiring diagram is effective, because we can get a lot of information through the reading materials. David freiburger and chad reynolds guide you through the features and differences of the famous msd. 55d4d ford 460 msd ignition wiring diagram digital resources. See the any books now and if you don't have a lot of time to read, you can download any ebooks for your device and read later. You won't find this ebook anywhere online. Msd hei distributor wiring diagram best place to find, msd 6 series installation instructions 6a 6al 6t 6btm, msd 6a wiring diagram hei sample faceitsalon com, msd 6 wiring diagrams roshdmag org, msd 6a 6200 wiring diagram free download playapk co, msd 6al wiring diagram chevy hei free.

These diagrams are easier to read once they are printed. Submitted simply by tops stars team from february, 2 2014. Msd hei distributor wiring diagram best place to find, msd 6 series installation instructions 6a 6al 6t 6btm, msd 6a wiring diagram hei sample faceitsalon com, msd 6 wiring diagrams roshdmag org, msd 6a 6200 wiring diagram free download playapk co, msd 6al wiring diagram chevy hei free. Chevy 350 wiring diagram to distributor. Assortment of msd 6al hei wiring diagram you are able to download free of charge.

Diagram Msd 6al Wiring Diagram Lt1 Full Version Hd Quality Diagram Lt1 Mediagrame Ladolcevalle It
Diagram Msd 6al Wiring Diagram Lt1 Full Version Hd Quality Diagram Lt1 Mediagrame Ladolcevalle It from tonetastic.info
It shows the parts of the circuit as simplified forms and also the power and signal msd 6al to hei wiring diagram msd 6al wiring diagram chevy hei for msd ignition 6200 wiring diagram image size 682 x 389 px and to view. Many good image inspirations on our internet. Ensure you are getting the best performance out of your ignition system. These distributors feature a timing advance that is digitally. Chevy 350 wiring diagram to distributor beautiful lovely plug wire. To see all pictures throughout pro comp distributor wiring diagram graphics gallery you need to stick. Msd 6 series installation instructions 6a 6al 6t 6btm 6tn 6aln parts included. .wiring chevy wiring for pro comp distributor wiring diagram) above is actually classed together with:

And would like to share them, please send to chevymanuals@yahoo.com.

Are you looking for 84 chevy distributor wiring diagram? 2003 nissan maxima wiring diagram. February 20, 2019february 19, 2019. Learn about the wiring of gm hei ignition distributors with our diagrams and guide. Msd 6al wiring diagram hei. Symbols that represent the constituents inside the circuit, and lines that represent the connections bewteen 6a 6200 wiring diagram msd ignition 6a 6200 wiring diagram rh parsplus co ford 2 3 distributor wiring diagram chevy distributor wiring diagram. Chevy 350 wiring diagram to distributor. Accel hei distributor wiring diagram. The ins and outs of an msd ignition system. Wiring diagrams contain a pair of things: Chevy hei wiring with msd 6al to diagram for pn 6425 wiring diagram bright 6al msd wiring diagram msd 6a wiring diagram hei ignition 6al we collect plenty of pictures about msd pn 6425 wiring diagram and finally we upload it on our website. Hei distributor wiring diagram chevy 350. Download this best ebook and read the 1949 chevy truck wiring diagram ebook.

David freiburger and chad reynolds guide you through the features and differences of the famous msd. 2014 ford f150 trailer wiring diagram. We all know that reading 86 chevy distributor wiring diagram is effective, because we can get a lot of information through the reading materials. Chevy 350 wiring diagram to distributor beautiful lovely plug wire. Chevy ignition coil distributor wiring diagram in addition diagram.

Msd Street Fire Wiring Diagram Wiring Site Resource
Msd Street Fire Wiring Diagram Wiring Site Resource from lh4.googleusercontent.com
We all know that reading 86 chevy distributor wiring diagram is effective, because we can get a lot of information through the reading materials. Diagram of product life cycle. Speedway tech zach discusses the pertronix ignitor iii conversion in his '55 chevy. These distributors feature a timing advance that is digitally. You can download it to your computer with simple steps. Ford hei distributor wiring diagram. It is your categorically own era to measure reviewing habit. Chevy ignition coil distributor wiring diagram in addition diagram msd.

We can easily read books on the mobile, tablets.

It is your categorically own era to measure reviewing habit. Ask away with jeff smith replacing an antiquated. To see all pictures throughout pro comp distributor wiring diagram graphics gallery you need to stick. And would like to share them, please send to chevymanuals@yahoo.com. .wiring chevy wiring for pro comp distributor wiring diagram) above is actually classed together with: In the course of guides you could enjoy now is msd chevy hei distributor wiring diagram below. Ensure you are getting the best performance out of your ignition system. We all know that reading 86 chevy distributor wiring diagram is effective, because we can get a lot of information through the reading materials. We can easily read books on the mobile, tablets. Download this best ebook and read the 1949 chevy truck wiring diagram ebook. Chevy ignition coil distributor wiring diagram in addition diagram. You can download it to your computer with simple steps. Find the right msd ignition distributor for you.

Iklan Atas Artikel

Iklan Tengah Artikel 1

Iklan Tengah Artikel 2

Iklan Bawah Artikel