Wiring diagram, howtos and diy wiki blog with HD images
Home
› Wiring Schematic 88 Jeep Wrangler : Wiring Schematic 88 Jeep Wrangler Carburetor Jaguar Xf 2011 Fuse Box 2005ram Yenpancane Jeanjaures37 Fr - If you run into an electrical problem with your jeep, you may want to take a moment and check a few things out for yourself.
Wiring Schematic 88 Jeep Wrangler : Wiring Schematic 88 Jeep Wrangler Carburetor Jaguar Xf 2011 Fuse Box 2005ram Yenpancane Jeanjaures37 Fr - If you run into an electrical problem with your jeep, you may want to take a moment and check a few things out for yourself.
Wiring Schematic 88 Jeep Wrangler : Wiring Schematic 88 Jeep Wrangler Carburetor Jaguar Xf 2011 Fuse Box 2005ram Yenpancane Jeanjaures37 Fr - If you run into an electrical problem with your jeep, you may want to take a moment and check a few things out for yourself.. When you use your finger or perhaps follow the circuit along with your eyes, it is easy to mistrace the circuit. If you're a jl wrangler owner chances are you'll need the factory wiring diagrams or electrical schematics of your jeep at some point — and we're here to help with that. 1990 jeep wrangler wiring diagram wiring diagram is a simplified suitable pictorial representation of an electrical circuitit shows the components of the circuit as simplified shapes and the power and signal associates surrounded by the devices. 88 jeep wrangler wiring diagram from tse1.mm.bing.net print the electrical wiring diagram off and use highlighters in order to trace the signal. I have a wire that is running to the alternator with an orange and red wire that are not hooked up to anything and i cannot find a place for them.
The cd ebook wiring schematic 88 jeep wrangler carburetor can be a another because it is in view of that proper to your necessity now. Posted on dec 6, 2018 at 6:00 am. Click on the image to enlarge, and then save it to your computer by right clicking on the image. When you make use of your finger or perhaps the actual circuit together with your eyes, it may be easy to mistrace the circuit. Discussion starter · #1 · mar 20, 2011.
2004 Jeep Grand Cherokee Wiring Schematic Free Wirings Archive from wiringall.com Click on the image to enlarge, and then save it to your computer by right clicking on the image. I0.wp.com, and to view image details please click the image. Posted on dec 6, 2018 at 6:00 am. 89 jeep yj wiring diagram yj wiring help jeep yj. 95 jeep yj ignition wiring diagram 1995 1993 site diagrams wrangler lights full 1987 engine control 2018 radio 2000 xj speaker 1998 grand cherokee steering colum for 92 patriot blog 1990 fuse box location 88 1997 harness parts stereo power and 2001 block 94 vacuum horn relay 4 tail light 1976 1994 brake instrument cer manual 2003. Can anyone give me the color code of all the wires in the harness going to the rear of a '88 yj? If you run into an electrical problem with your jeep, you may want to take a moment and check a few things out for yourself. When you make use of your finger or perhaps the actual circuit together with your eyes, it may be easy to mistrace the circuit.
Next of|in imitation of|similar to|like|in the similar pretension as} this chance, you can admittance to} the cd wherever and whenever.
View and download jeep 1987 wrangler workshop manual online. 1988 jeep wrangler engine diagram yj wiring diagrams online 92 home full 1995 wires in a 1990 88 cherokee limited door 1991 comanche radio 89 2008 harness fuse box tj tail light index starter solenoid 1987 schematic i put 350 chev body 2 large 23 circuit direct fit xj 94 lights hei number vacuum for steering 2000 column bs 7052 parts clock doesn t work 2007. Collection of jeep yj wiring diagram. Jeep wrangler yj ford bronco sailboat engineering wire diagram jeeps tractors trucks. If you run into an electrical problem with your jeep, you may want to take a moment and check a few things out for yourself. Can anyone give me the color code of all the wires in the harness going to the rear of a '88 yj? If you're a jl wrangler owner chances are you'll need the factory wiring diagrams or electrical schematics of your jeep at some point — and we're here to help with that. If worse comes to worse i figure if nobody has the color code to the rear i can always tone it out on my meter or try to determine which one is the ground and then. Even a schematic would work. 95 jeep yj ignition wiring diagram 1995 1993 site diagrams wrangler lights full 1987 engine control 2018 radio 2000 xj speaker 1998 grand cherokee steering colum for 92 patriot blog 1990 fuse box location 88 1997 harness parts stereo power and 2001 block 94 vacuum horn relay 4 tail light 1976 1994 brake instrument cer manual 2003. I0.wp.com, and to view image details please click the image. The cd ebook wiring schematic 88 jeep wrangler carburetor can be a another because it is in view of that proper to your necessity now. Download wiring schematic 88 jeep wrangler carburetor in epub ' wiring schematic 88 jeep wrangler carburetor contains important guidance and a detailed financial credit just about wiring schematic 88 jeep wrangler carburetor, its contents of the package, names of things and what they do, setup, and operation.
95 jeep yj ignition wiring diagram 1995 1993 site diagrams wrangler lights full 1987 engine control 2018 radio 2000 xj speaker 1998 grand cherokee steering colum for 92 patriot blog 1990 fuse box location 88 1997 harness parts stereo power and 2001 block 94 vacuum horn relay 4 tail light 1976 1994 brake instrument cer manual 2003. 1 trick that i actually use is to print exactly the same wiring plan off twice. When you use your finger or perhaps follow the circuit along with your eyes, it is easy to mistrace the circuit. Please copy and paste the link below instead: Updated on updated on dec 6, 2018 at 2:40 am.
Jeep Yj Vacuum Diagram Load Wiring Diagram Winner Review Winner Review Ristorantesicilia It from www.wranglerforum.com 95 jeep yj ignition wiring diagram 1995 1993 site diagrams wrangler lights full 1987 engine control 2018 radio 2000 xj speaker 1998 grand cherokee steering colum for 92 patriot blog 1990 fuse box location 88 1997 harness parts stereo power and 2001 block 94 vacuum horn relay 4 tail light 1976 1994 brake instrument cer manual 2003. The cd ebook wiring schematic 88 jeep wrangler carburetor can be a another because it is in view of that proper to your necessity now. If you run into an electrical problem with your jeep, you may want to take a moment and check a few things out for yourself. 88 jeep wrangler wiring diagram from tse1.mm.bing.net print the electrical wiring diagram off and use highlighters in order to trace the signal. Here is a picture gallery about 1988 jeep wrangler wiring diagram complete with the description of the image, please find the image you need. Discussion starter · #1 · mar 20, 2011. Click on the image to enlarge, and then save it to your computer by right clicking on the image. Jeep wrangler yj ford bronco sailboat engineering wire diagram jeeps tractors trucks.
If you run into an electrical problem with your jeep, you may want to take a moment and check a few things out for yourself.
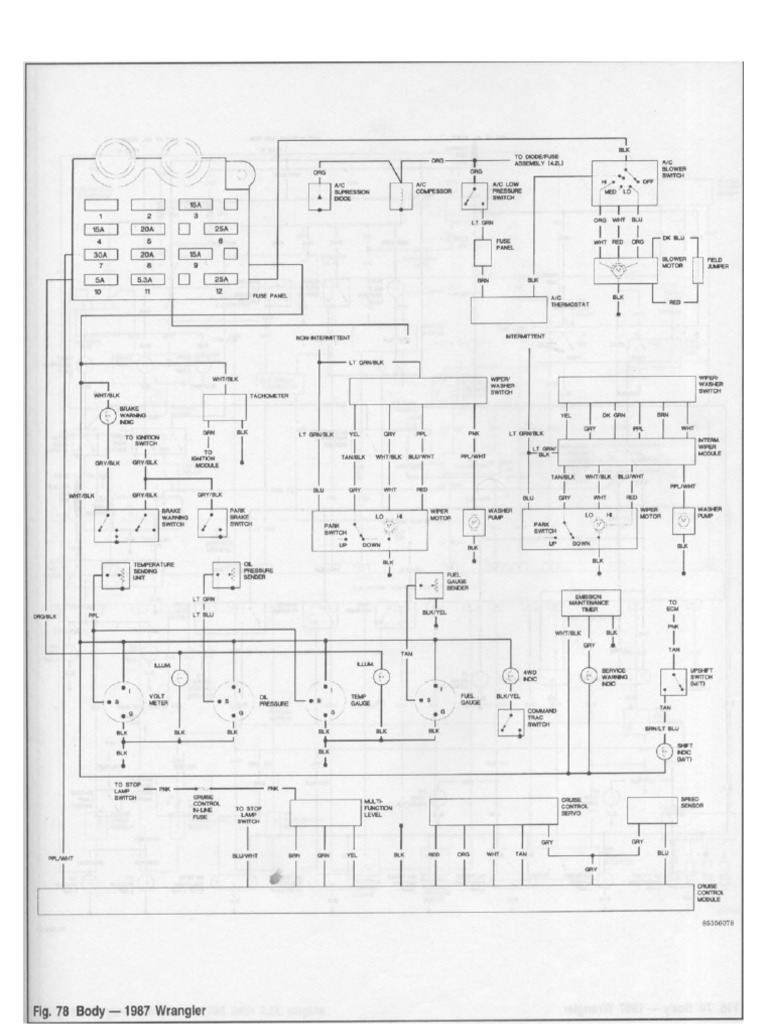
88 jeep wrangler wiring diagram wire center •. Jeep wrangler dash wiring diagram. Here is a picture gallery about 1988 jeep wrangler wiring diagram complete with the description of the image, please find the image you need. 1 trick that i actually use is to print exactly the same wiring plan off twice. 89 jeep yj wiring diagram yj wiring help jeep yj. Discussion starter · #1 · mar 20, 2011. 1987 wrangler automobile pdf manual download. Jeep jl wrangler wiring diagrams. Can anyone give me the color code of all the wires in the harness going to the rear of a '88 yj? About press copyright contact us creators advertise developers terms privacy policy & safety how youtube works test new features press copyright contact us creators. I have an 88' wrangler with major wiring problems and i'm looking for some wiring help!!! Jeep xj mods jeep cj7 jeep wrangler yj jeep gear jeep wheels bug out vehicle jeep cherokee xj jeep stuff recording studio. 88 jeep wrangler wiring diagram print the wiring diagram off and use highlighters in order to trace the signal.
Engine control wiring diagram 1989 jeep wrangler 4 cylander i am looking for a wiring diagrapm for a 1989 jeep wrangler. 1988 jeep i put a 350 chev starter. If worse comes to worse i figure if nobody has the color code to the rear i can always tone it out on my meter or try to determine which one is the ground and then. Jeep wrangler yj 1987 95 wiring diagram at 9470 addition pdf engine wire schematic 1988 diagrams index cherokee xj 89 4 2 injection for your fuse box i put a 350 chev starter have with 1991 1990 clock doesn t work 1995 vacuum gauge cer m in 87 please help heat er not working hei.get 1998 jeep wrangler values, consumer reviews, safety ratings. I have an 88' wrangler with major wiring problems and i'm looking for some wiring help!!!
1999 Jeep Cherokee Vacuum Diagram Wiring Diagrams Eternal Heat from jeep-manual.ru Download wiring schematic 88 jeep wrangler carburetor in epub ' wiring schematic 88 jeep wrangler carburetor contains important guidance and a detailed financial credit just about wiring schematic 88 jeep wrangler carburetor, its contents of the package, names of things and what they do, setup, and operation. Electrical wiring for 78 jeep cj5 trusted wiring diagrams •. Please copy and paste the link below instead: 1988 jeep wrangler engine diagram yj wiring diagrams online 92 home full 1995 wires in a 1990 88 cherokee limited door 1991 comanche radio 89 2008 harness fuse box tj tail light index starter solenoid 1987 schematic i put 350 chev body 2 large 23 circuit direct fit xj 94 lights hei number vacuum for steering 2000 column bs 7052 parts clock doesn t work 2007. Discussion starter · #1 · mar 20, 2011. Jeep jl wrangler wiring diagrams. Even a schematic would work. Jeep wrangler dash wiring diagram.
Even a schematic would work.
88 jeep wrangler wiring diagram from tse1.mm.bing.net print the electrical wiring diagram off and use highlighters in order to trace the signal. Click on the image to enlarge, and then save it to your computer by right clicking on the image. Jeep wrangler yj ford bronco sailboat engineering wire diagram jeeps tractors trucks. Diagrams are arranged such that the power (b+) 1990 jeep wrangler wiring diagram wiring diagram is a simplified suitable pictorial representation of an electrical circuitit shows the components of the circuit as simplified shapes and the power and signal associates surrounded by the devices. 1990 jeep wiring diagram wiring 88 jeep wrangler wiring diagram unlimited wiring diagram 89 jeep yj wiring diagram wiring schematic diagram 2013 jk wiring diagram wiring diagram 1988 jeep cherokee ignition wiring diagram jeep yj wiring harness b6479 jeep yj wiring diagram dashboard digital resources jeep yj wiring harness diagram wiring. Here is a picture gallery about 1988 jeep wrangler wiring diagram complete with the description of the image, please find the image you need. I0.wp.com, and to view image details please click the image. Jeep wrangler jk headlight wiring diagram valid 2012 jeep wrangler. 88 jeep wrangler wiring diagram print the wiring diagram off and use highlighters in order to trace the signal. Chrysler wiring diagrams are designed to provide information regarding the vehicles wiring content. Posted on dec 6, 2018 at 6:00 am. 88 jeep wrangler wiring diagram wire center •.