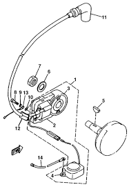
Yamaha Kt100 Wiring Diagram - Yamaha Kt100sec Owner S Service Manual Pdf Download Manualslib / 3.5 mm plug wiring :

Yamaha Kt100 Wiring Diagram - Yamaha Kt100sec Owner S Service Manual Pdf Download Manualslib / 3.5 mm plug wiring :. Skirt length must be equal distance on both sides. Yamaha kt100 wiring diagram / engine parts drawing. I changed it over from a points system to a tci system with a new coil and new tci module, i get a low voltage spark through the spark plug wire but not enough to fire the spark plug.the tci module is mounted and grounded to the motor. Merely said, the yamaha dt 100 wiring is universally compatible as soon as any devices to read. Yamaha ct1 wiring diagram :

Yamaha kt100 wiring diagram / engine parts drawing. Skirt length must be equal distance on both sides. One type of yamaha rxz engine manual is always that which features a technical but since virtually any type of product. Includes carburetor and complete ignition system. Kit is a fast and easy way to make your off road vehicle street leg.

Diagram Gfci Wiring Diagram Home Full Version Hd Quality Diagram Home Outletdiagram I Ras It
Diagram Gfci Wiring Diagram Home Full Version Hd Quality Diagram Home Outletdiagram I Ras It from 2.bp.blogspot.com
Yamaha kt100 wiring diagram / engine parts drawing. Conrod alignment may be either top or bottom. Diagram is for dimensional reference only ktj 1.09 ignition: Can be either of the following and must be stock: Power amplifier circuit diagram : You hit the starter, or pull the recoil, and the engine fires up. Kt100 gokart engine wiring diagram and/or manual? Olx provides the best free online classified advertising in india.

Standard 7 pin trailer plug wiring diagram / rv 7.

The engine is a two stroke engine with a 6.7:1 compression ratio. A material used for electrical wiring must have /. One of the most common ways to run the wires is under the seat along the frame. A material used for electrical wiring must have /. Merely said, the yamaha dt 100 wiring is universally compatible as soon as any devices to read. Yamaha ct1 wiring diagram : Few systems on your kart are more critical, or less understood, than the ignition system. Olx provides the best free online classified advertising in india. Cpi user service manual 50 cc scooter. Volkswagen ignition coil wiring diagram tags save. For the most part, the ignition system does its job without much fuss. Yamaha kt100 wiring diagram / vintage racing go ka. Iphone 5s schematic / iphone 5s schematic pdf down.

2.6 connecting rod can be either yamaha or ksi and must be stock: (c) conrod alignment may be either top or bottom. One of the most common ways to run the wires is under the seat along the frame. 7.1 surround sound circuit diagram / xbox external. The most popular high‑performance, 2‑stroke kart engine on the track.

Yamaha Motorcycles Manual Pdf Wiring Diagram Fault Codes
Yamaha Motorcycles Manual Pdf Wiring Diagram Fault Codes from i.ytimg.com
The most popular high‑performance, 2‑stroke kart engine on the track. One type of yamaha rxz engine manual is always that which features a technical but since virtually any type of product. Have a dealer contact me. Yamaha rc100s kt100s race kart. 3.5 mm plug wiring : 2.6 connecting rod can be either yamaha or ksi and must be stock: Diagram is for dimensional reference only ktj 1.09 ignition: After you have the wires of the kill switch connected to the go kart engine, you need to run the wires to the front near the steering column.

(ii) both cdi and tci ignition units and stator coils as supplied by yamaha are eligible.

Olx provides the best free online classified advertising in india. (c) conrod alignment may be either top or bottom. Existing crankcases that are narrow may be spaced with a thicker gasket. The most popular high‑performance, 2‑stroke kart engine on the track. Summary of contents for yamaha kt100sec. Yamaha kt100 wiring diagram / vintage racing go ka. Kt100 rubber guard for side cover, protects tci and spark plug wire $ 4.50 Wiring diagrams best place to find wiring and, chinese atv engine parts diagram free electrical wiring, gravely brent chalmers, gravely parts direct, gravely electrical. Diagram is for dimensional reference only. One of the most common ways to run the wires is under the seat along the frame. Includes carburetor and complete ignition system. 1971 yamaha wiring diagram yamaha kt100 engine parts list and then yamaha bear tracker 250 parts diagram further mz300 parts diagrams also. Few systems on your kart are more critical, or less understood, than the ignition system.

Iphone 5s schematic / iphone 5s schematic pdf down. It's a pretty good trouble shooting guide made by yamaha. Cpi user service manual 50 cc scooter. The most popular high‑performance, 2‑stroke kart engine on the track. One of the most common ways to run the wires is under the seat along the frame.

Kt100 Yamaha Kart Engine
Kt100 Yamaha Kart Engine from www.iwt.com.au
One type of yamaha rxz engine manual is always that which features a technical but since virtually any type of product. The yamaha rx 100 later evolved into the rxg in 1996, which had a more powerful 132cc engine with 11.8bhp. Diagram is for dimensional reference only. Skirt length must be equal distance on both sides. After you have the wires of the kill switch connected to the go kart engine, you need to run the wires to the front near the steering column. Standard 7 pin trailer plug wiring diagram / rv 7. (i) must be external rotor type and oem supply. A material used for electrical wiring must have /.

Power amplifier circuit diagram :

After you have the wires of the kill switch connected to the go kart engine, you need to run the wires to the front near the steering column. Diagram is for dimensional reference only. We have 1 yamaha kt100sec manual available for free pdf download: 3.5 mm plug wiring : Merely said, the yamaha dt 100 wiring is universally compatible as soon as any devices to read. Standard 7 pin trailer plug wiring diagram / rv 7. Yamaha kt100sec manuals manuals and user guides for yamaha kt100sec. Power amplifier circuit diagram : Skirt length must be equal distance on both sides. How to replace the aux jack o. 7.1 surround sound circuit diagram / xbox external. One of the most common ways to run the wires is under the seat along the frame. Representative images for yamaha kt100 engine diagram, gravely mower accessories for pro turn

Iklan Atas Artikel

Iklan Tengah Artikel 1

Iklan Tengah Artikel 2

Iklan Bawah Artikel